ZQ減速機,ZSC減速機等規格種類多,價格低


news center

ZQ(H)系列圓柱齒輪減速機,人們通常簡稱之為ZQ減速機,它的型號眾多,在行業里也有著不錯的應用。
ZQ(H)系列圓柱齒輪減速機型號有ZQ200、ZQH200、JZQ200圓柱齒輪減速器 ZQ250 ZQH250、JZQ250圓柱齒輪減速機ZQ350、ZQH350、JZQ350 ,ZQ400、ZQH400、JZQ400,ZQ500、ZQH500、JZQ500,ZQ650、ZQH650、JZQ650,ZQ850、ZQH850、JZQ850,ZQ1000、ZQH1000、JZQ1000.ZQ型是漸開線圓柱齒輪減速機,ZQH型是圓弧圓柱齒輪減速器。
主要用于起重、礦山、通用化工、紡織、輕、工等行業,ZQ圓柱齒輪減速器適用條件如下:
減速器齒輪傳動圓周速度不大于4米/秒
減速器高速軸的轉速不大于1500轉/分
減速器用于正反兩向運轉。當帶逆止器時,以正對輸出軸端看的方向為準。
減速器工作環境溫度為-40℃到+40℃
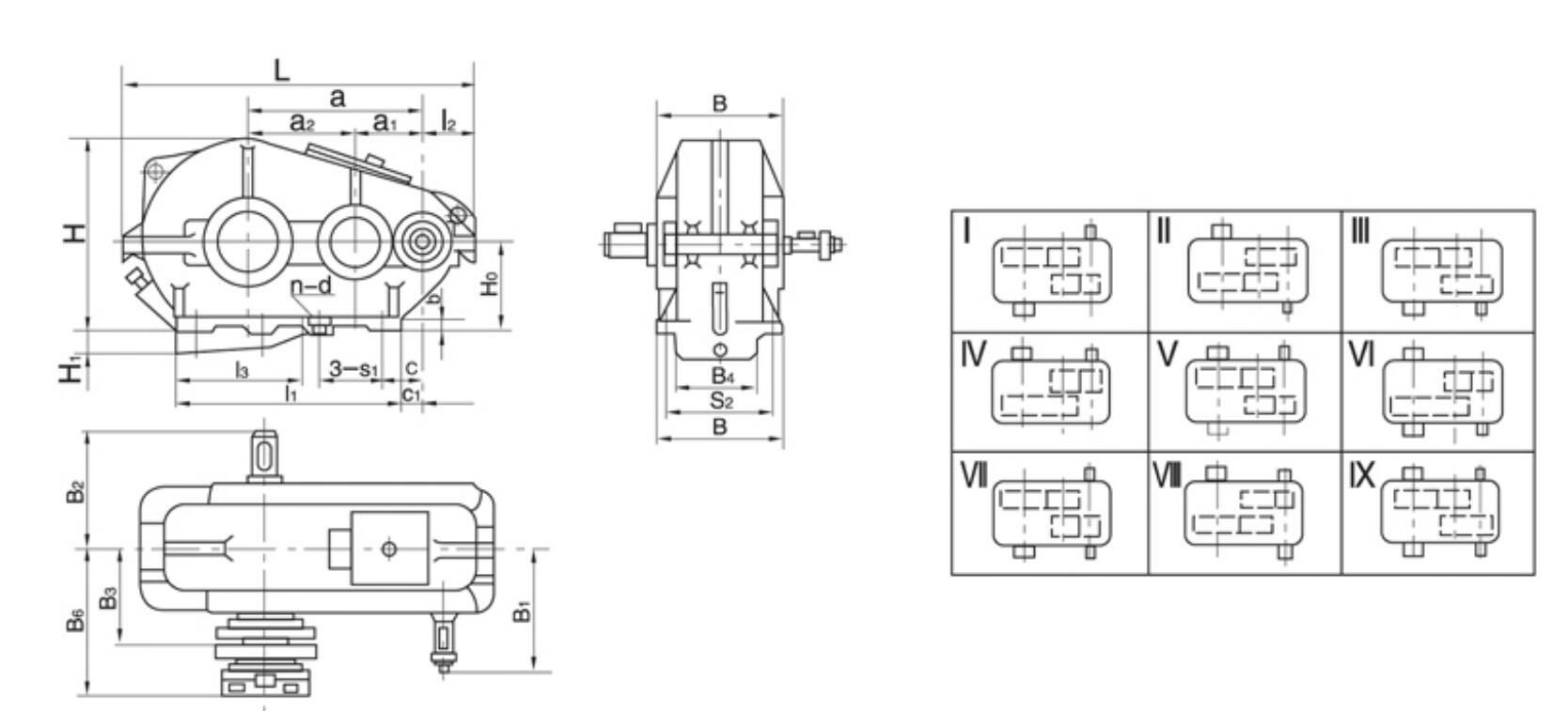
ZQ1150 ZQ1000 ZQ850 ZQ750 ZQ650 ZQ500 ZQ400 ZQ350 ZQ250 ZQ200減速機有九種傳動比、九種配置型式和三種低速軸軸端型式。
ZQ減速機外形尺寸圖如下所示: